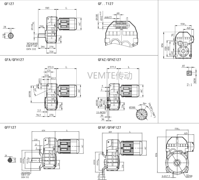
FC127 FCAF127 FCF127 FCA127減速機電機型號及尺寸圖紙
2024-07-12 11:39:45
閱讀
FC127 FCAF127 FCF127 FCA127減速機電機型號及尺寸圖紙
| FC127-Y7.5KW-4P | FCAF127-Y7.5KW-4P | FCF127-Y7.5KW-4P | FCA127-Y7.5KW-4P |
| FC127-Y11KW-4P | FCAF127-Y11KW-4P | FCF127-Y11KW-4P | FCA127-Y11KW-4P |
| FC127-Y15KW-4P | FCAF127-Y15KW-4P | FCF127-Y15KW-4P | FCA127-Y15KW-4P |
| FC127-Y18.5KW-4P | FCAF127-Y18.5KW-4P | FCF127-Y18.5KW-4P | FCA127-Y18.5KW-4P |
| FC127-Y22KW-4P | FCAF127-Y22KW-4P | FCF127-Y22KW-4P | FCA127-Y22KW-4P |
| FC127-Y30KW-4P | FCAF127-Y30KW-4P | FCF127-Y30KW-4P | FCA127-Y30KW-4P |
| FC127-Y37KW-4P | F系列減速機 | FCF127-Y37KW-4P | FCA127-Y37KW-4P |
| FC127-Y45KW-4P | FCAF127-Y45KW-4P | FCF127-Y45KW-4P | FCA127-Y45KW-4P |
| FC127-Y55KW-4P | FCAF127-Y55KW-4P | FCF127-Y55KW-4P | FCA127-Y55KW-4P |
| FC127-Y75KW-4P | FCAF127-Y75KW-4P | FCF127-Y75KW-4P | FCA127-Y75KW-4P |
| FC127-Y90KW-4P | FCAF127-Y90KW-4P | FCF127-Y90KW-4P | FCA127-Y90KW-4P |

更多F127減速電機相關信息請查看http://m.tzmzhq.com/product/f127jiansuji-cn.html
關鍵詞:硬齒面減速機圖紙_傘齒輪減速電機圖紙下載_錐齒輪減速機三維模型下載_蝸輪蝸桿減速器圖紙_斜齒輪減速箱3D圖紙下載
標簽:  FC127減速機 FCAF127減速箱 FCF127減速器 FCA127減速電機 F系列減速機 平行軸減速器
