FC37 FCAF37 FCF37 FCA37減速機電機型號及尺寸圖紙
2024-06-19 11:48:43
閱讀
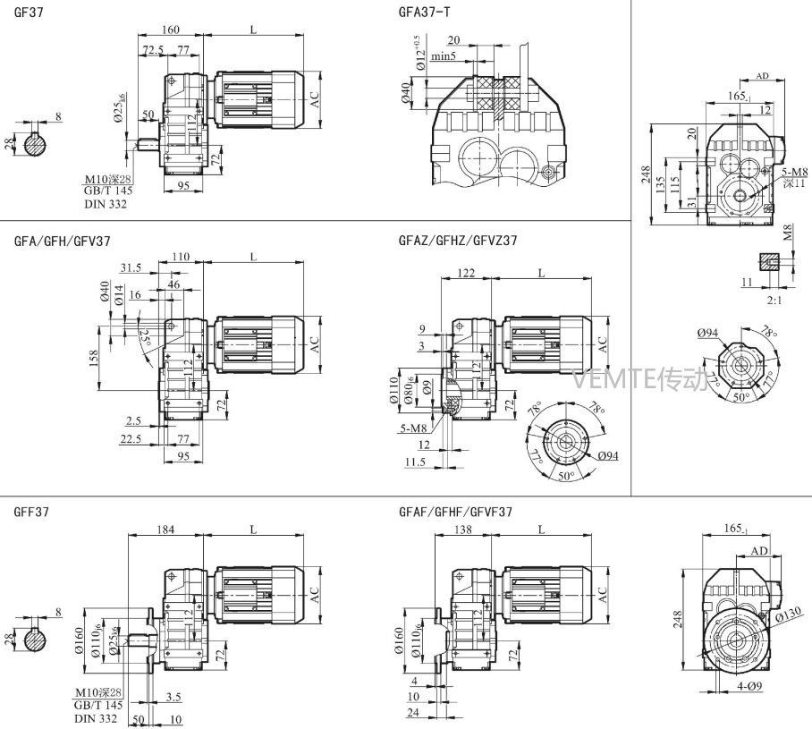
FC37 FCAF37 FCF37 FCA37減速機電機型號及尺寸圖紙
| FC37-Y0.12KW-4P | FCAF37-Y0.12KW-4P齒輪減速機 | FCF37-Y0.12KW-4P | FCA37-Y0.12KW-4P |
| FC37-Y0.18KW-4P | FCAF37-Y0.18KW-4P | FCF37-Y0.18KW-4P | FCA37-Y0.18KW-4P |
| FC37-Y0.25KW-4P | FCAF37-Y0.25KW-4P | FCF37-Y0.25KW-4P | FCA37-Y0.25KW-4P |
| FC37-Y0.37KW-4P | FCAF37-Y0.37KW-4P | FCF37-Y0.37KW-4P | FCA37-Y0.37KW-4P |
| FC37-Y0.55KW-4P | FCAF37-Y0.55KW-4P | FCF37-Y0.55KW-4P | FCA37-Y0.55KW-4P |
| FC37-Y0.75KW-4P | FCAF37-Y0.75KW-4P | FCF37-Y0.75KW-4P | FCA37-Y0.75KW-4P |
| FC37-Y1.1KW-4P | FCAF37-Y1.1KW-4P | FCF37-Y1.1KW-4P | FCA37-Y1.1KW-4P |
| FC37-Y1.5KW-4P | FCAF37-Y1.5KW-4P | FCF37-Y1.5KW-4P | FCA37-Y1.5KW-4P |
| FC37-Y2.2KW-4P | FCAF37-Y2.2KW-4P | FCF37-Y2.2KW-4P | FCA37-Y2.2KW-4P |
| FC37-Y3KW-4P | FCAF37-Y3KW-4P | FCF37-Y3KW-4P | FCA37-Y3KW-4P |

更多關于F37減速機性能參數請查看http://m.tzmzhq.com/product/f37jiansuji-cn.html
關鍵詞:蝸輪蝸桿減速機型號_錐齒輪減速電機型號_斜齒輪減速器型號_硬齒面電機與減速器型號_傘齒輪減速箱型號大全
標簽:  FC37 FCAF37 FCF37 FCA37減速機電機型號及尺寸圖紙 齒輪減速機 平行軸減速機
