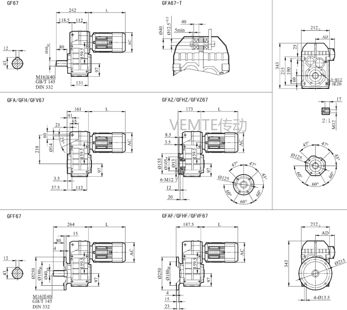
FC67 FCAF67 FCA67 FFCF67減速機電機型號大全及圖紙
2024-06-22 13:41:13
閱讀
FC67 FCAF67 FCA67 FFCF67減速機電機型號大全及圖紙
| FC67-Y0.12KW-4P | FCAF67-Y0.12KW-4P | FCF67-Y0.12KW-4P | FCA67-Y0.12KW-4P |
| FC67-Y0.18KW-4P | FCAF67-Y0.18KW-4P | FCF67-Y0.18KW-4P | FCA67-Y0.18KW-4P |
| FC67-Y0.25KW-4P | F系列減速機 | FCF67-Y0.25KW-4P | FCA67-Y0.25KW-4P |
| FC67-Y0.37KW-4P | FCAF67-Y0.37KW-4P | FCF67-Y0.37KW-4P | FCA67-Y0.37KW-4P |
| FC67-Y0.55KW-4P | FCAF67-Y0.55KW-4P | FCF67-Y0.55KW-4P | FCA67-Y0.55KW-4P |
| FC67-Y0.75KW-4P | FCAF67-Y0.75KW-4P | FCF67-Y0.75KW-4P | FCA67-Y0.75KW-4P |
| FC67-Y1.1KW-4P | FCAF67-Y1.1KW-4P | FCF67-Y1.1KW-4P | FCA67-Y1.1KW-4P |
| FC67-Y1.5KW-4P | FCAF67-Y1.5KW-4P | FCF67-Y1.5KW-4P | FCA67-Y1.5KW-4P |
| FC67-Y2.2KW-4P | FCAF67-Y2.2KW-4P | FCF67-Y2.2KW-4P | FCA67-Y2.2KW-4P |
| FC67-Y3KW-4P | FCAF67-Y3KW-4P | FCF67-Y3KW-4P | FCA67-Y3KW-4P |
| FC67-Y4KW-4P | FCAF67-Y4KW-4P | FCF67-Y4KW-4P | FCA67-Y4KW-4P |
| FC67-Y5.5KW-4P | FCAF67-Y5.5KW-4P | FCF67-Y5.5KW-4P | FCA67-Y5.5KW-4P |

更多相關F67減速電機性能參數請查看http://m.tzmzhq.com/product/f67jiansuji-cn.html
關鍵詞:蝸輪蝸桿減速機型號_錐齒輪減速電機型號_斜齒輪減速器型號_硬齒面電機與減速器型號_傘齒輪減速箱型號大全
標簽:  FC67減速機 FCAF67減速器 FCA67減速箱 FFCF67減速電機 齒輪減速機 平行軸減速箱
