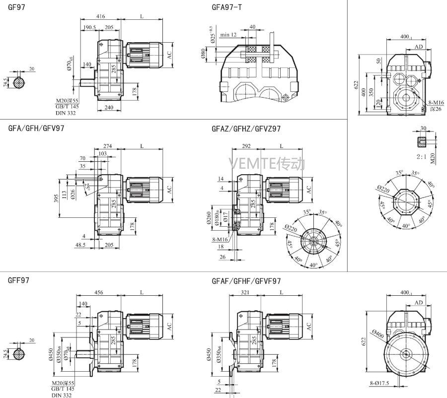
FC97 FCA97 FCF97 FCAF97減速機電機型號大全及尺寸圖
2024-07-09 11:53:34
閱讀
FC97 FCA97 FCF97 FCAF97減速機電機型號大全及尺寸圖
| FC97-Y1.1KW-4P | FCA97-Y1.1KW-4P | FCF97-Y1.1KW-4P | FCAF97-Y1.1KW-4P |
| FC97-Y1.5KW-4P | FCA97-Y1.5KW-4P | FCF97-Y1.5KW-4P | FCAF97-Y1.5KW-4P |
| FC97-Y2.2KW-4P | FCA97-Y2.2KW-4P | FCF97-Y2.2KW-4P | FCAF97-Y2.2KW-4P |
| FC97-Y3KW-4P | FCA97-Y3KW-4P | FCF97-Y3KW-4P | FCAF97-Y3KW-4P |
| FC97-Y4KW-4P | FCA97-Y4KW-4P | 偏心減速器 | FCAF97-Y4KW-4P |
| FC97-Y5.5KW-4P | FCA97-Y5.5KW-4P | FCF97-Y5.5KW-4P | FCAF97-Y5.5KW-4P |
| FC97-Y7.5KW-4P | FCA97-Y7.5KW-4P | FCF97-Y7.5KW-4P | FCAF97-Y7.5KW-4P |
| FC97-Y11KW-4P | FCA97-Y11KW-4P | FCF97-Y11KW-4P | FCAF97-Y11KW-4P |
| FC97-Y15KW-4P | FCA97-Y15KW-4P | FCF97-Y15KW-4P | FCAF97-Y15KW-4P |
| FC97-Y18.5KW-4P | FCA97-Y18.5KW-4P | FCF97-Y18.5KW-4P | FCAF97-Y18.5KW-4P |
| FC97-Y22KW-4P | FCA97-Y22KW-4P | FCF97-Y22KW-4P | FCAF97-Y22KW-4P |
| FC97-Y30KW-4P | FCA97-Y30KW-4P | FCF97-Y30KW-4P | FCAF97-Y30KW-4P |

更多F97減速電機相關信息請查看http://m.tzmzhq.com/product/f97jiansuji-cn.html
關鍵詞:蝸輪蝸桿減速機型號_錐齒輪減速電機型號_斜齒輪減速器型號_硬齒面電機與減速器型號_傘齒輪減速箱型號大全
標簽:  FC97減速機 FCA97減速器 FCF97減速箱 FCAF97減速電機 F系列減速器 齒輪減速機
