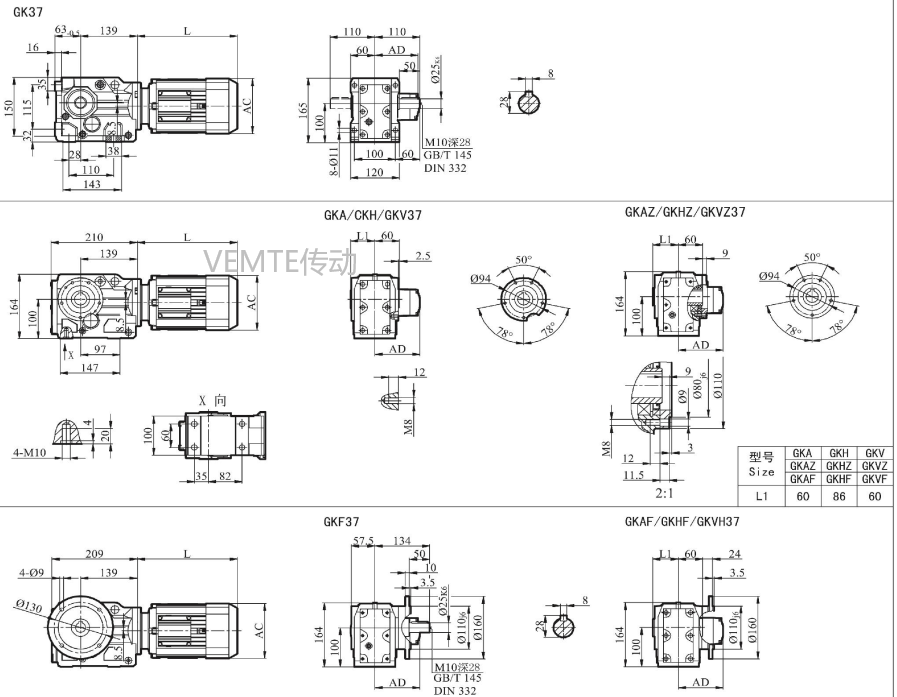
KC37 KCAF37 KCA37 KCF37減速機電機型號大全及圖紙
2024-06-20 13:40:20
閱讀
KC37 KCAF37 KCA37 KCF37減速機電機型號大全及圖紙
| KC37-Y0.12KW-4P | KCAF37-Y0.12KW-4P | KCA37-Y0.12KW-4P | KCF37-Y0.18KW-4P |
| KC37-Y0.18KW-4P | KCAF37-Y0.18KW-4P | KCA37-Y0.18KW-4P | KCF37-Y0.25KW-4P |
| KC37-Y0.25KW-4P | KCAF37-Y0.25KW-4P | KCA37-Y0.25KW-4P | KCF37-Y0.37KW-4P |
| KC37-Y0.37KW-4P | KCAF37-Y0.37KW-4P | KCA37-Y0.37KW-4P | 傘齒輪減速機 |
| KC37-Y0.55KW-4P | KCAF37-Y0.55KW-4P | KCA37-Y0.55KW-4P | KCF37-Y0.75KW-4P |
| KC37-Y0.75KW-4P | KCAF37-Y0.75KW-4P | KCA37-Y0.75KW-4P | KCF37-Y1.1KW-4P |
| KC37-Y1.1KW-4P | KCAF37-Y1.1KW-4P | KCA37-Y1.1KW-4P | KCF37-Y1.5KW-4P |
| KC37-Y1.5KW-4P | KCAF37-Y1.5KW-4P | KCA37-Y1.5KW-4P | KCF37-Y2.2KW-4P |
| KC37-Y2.2KW-4P | KCAF37-Y2.2KW-4P | KCA37-Y2.2KW-4P | KCF37-Y0.55KW-4P |

更多關于K37減速電機性能參數信息請查看http://m.tzmzhq.com/product/k37jiansuji-cn.html
關鍵詞:蝸輪蝸桿減速機型號_錐齒輪減速電機型號_斜齒輪減速器型號_硬齒面電機與減速器型號_傘齒輪減速箱型號大全
標簽:  KC37減速機 KCAF37減速器 KCA37減速箱 KCF37減速電機 直角轉向減速器
