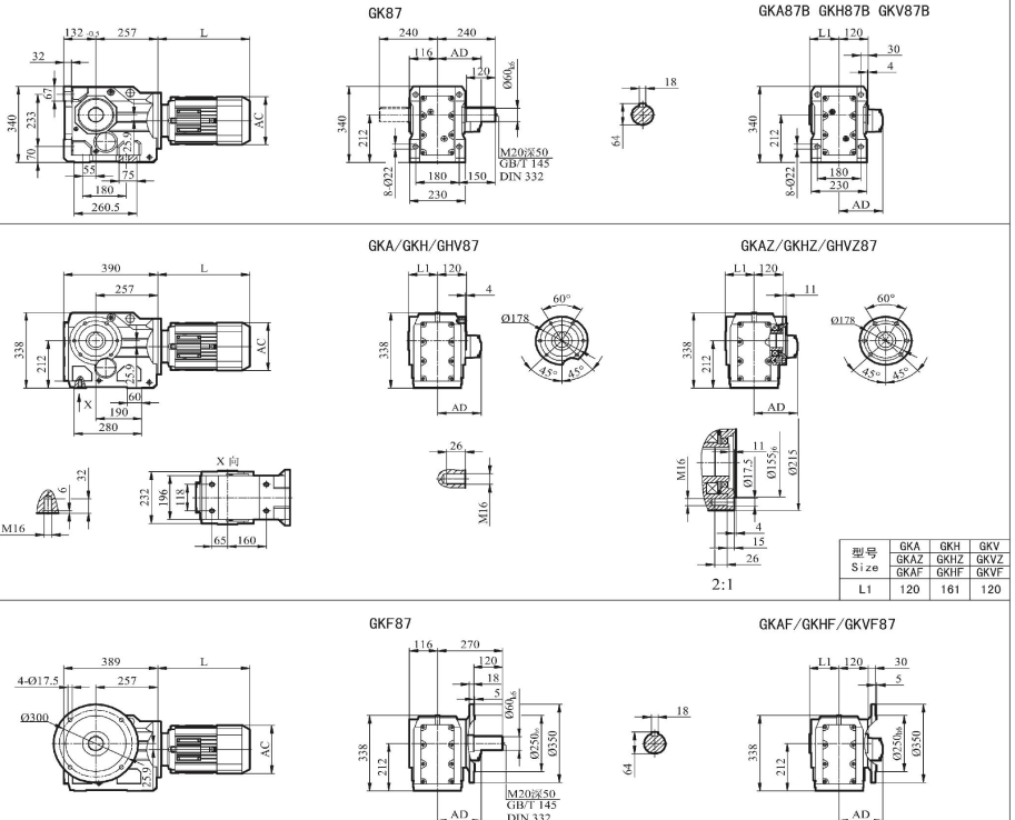
KC87 KCAF87 KCF87 KCA87減速機電機型號大全及尺寸圖
2024-07-10 11:18:31
閱讀
KC87 KCAF87 KCF87 KCA87減速機電機型號大全及尺寸圖
| KC87-Y0.75KW-4P | KCAF87-Y0.75KW-4P | KCF87-Y1.1KW-4P | KCA87-Y0.75KW-4P |
| KC87-Y1.1KW-4P | KCAF87-Y1.1KW-4P | KCF87-Y1.5KW-4P | KCA87-Y1.1KW-4P |
| KC87-Y1.5KW-4P | KCAF87-Y1.5KW-4P | KCF87-Y2.2KW-4P | KCA87-Y1.5KW-4P |
| KC87-Y2.2KW-4P | KCAF87-Y2.2KW-4P | KCF87-Y3KW-4P | KCA87-Y2.2KW-4P |
| KC87-Y3KW-4P | KCAF87-Y3KW-4P | KCF87-Y4KW-4P | KCA87-Y3KW-4P |
| KC87-Y4KW-4P | 直角減速機 | KCF87-Y5.5KW-4P | KCA87-Y4KW-4P |
| KC87-Y5.5KW-4P | KCAF87-Y5.5KW-4P | KCF87-Y7.5KW-4P | KCA87-Y5.5KW-4P |
| KC87-Y7.5KW-4P | KCAF87-Y7.5KW-4P | KCF87-Y11KW-4P | KCA87-Y7.5KW-4P |
| KC87-Y11KW-4P | KCAF87-Y11KW-4P | KCF87-Y18.5KW-4P | KCA87-Y11KW-4P |
| KC87-Y18.5KW-4P | KCAF87-Y18.5KW-4P | KCF87-Y22KW-4P | KCA87-Y18.5KW-4P |
| KC87-Y22KW-4P | KCAF87-Y22KW-4P | KCAF87-Y4KW-4P | KCA87-Y22KW-4P |

更多K87減速電機性能參數請查看http://m.tzmzhq.com/product/k87jiansuji-cn.html
關鍵詞:硬齒面減速機圖紙_傘齒輪減速電機圖紙下載_錐齒輪減速機三維模型下載_蝸輪蝸桿減速器圖紙_斜齒輪減速箱3D圖紙下載
標簽:  KC87減速機 KCAF87減速器 KCF87減速箱 KCA87減速電機 K系列減速機 轉角減速器
