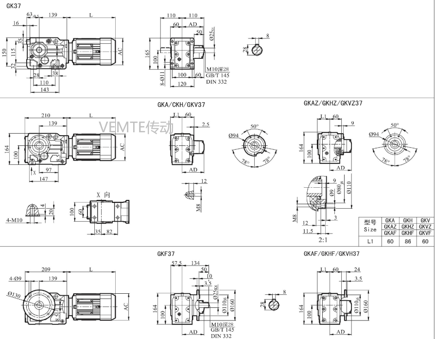
KD03 KK03 KF03 KFK03減速機電機型號及安裝尺寸圖
2024-07-24 08:50:17
閱讀
KD03 KK03 KF03 KFK03減速機電機型號及安裝尺寸圖
| KD03-Y0.12KW-4P-M1-J1 | KK03-Y0.12KW-4P-M1-J1 | KF03-Y0.12KW-4P-M1-J1 | KFK03-Y0.12KW-4P-M1-J1 |
| KD03-Y0.18KW-4P-M1-J1 | KK03-Y0.18KW-4P-M1-J1 | KF03-Y0.18KW-4P-M1-J1 | KFK03-Y0.18KW-4P-M1-J1 |
| KD03-Y0.25KW-4P-M1-J1 | KK03-Y0.25KW-4P-M1-J1 | KF03-Y0.25KW-4P-M1-J1 | KFK03-Y0.25KW-4P-M1-J1 |
| KD03-Y0.37KW-4P-M1-J1 | KK03-Y0.37KW-4P-M1-J1 | 傘齒輪減速機 | KFK03-Y0.37KW-4P-M1-J1 |
| KD03-Y0.55KW-4P-M1-J1 | KK03-Y0.55KW-4P-M1-J1 | KF03-Y0.55KW-4P-M1-J1 | KFK03-Y0.55KW-4P-M1-J1 |
| KD03-Y0.75KW-4P-M1-J1 | KK03-Y0.75KW-4P-M1-J1 | KF03-Y0.75KW-4P-M1-J1 | KFK03-Y0.75KW-4P-M1-J1 |
| KD03-Y1.1KW-4P-M1-J1 | KK03-Y1.1KW-4P-M1-J1 | KF03-Y1.1KW-4P-M1-J1 | KFK03-Y1.1KW-4P-M1-J1 |
| KD03-Y1.5KW-4P-M1-J1 | KK03-Y1.5KW-4P-M1-J1 | KF03-Y1.5KW-4P-M1-J1 | KFK03-Y1.5KW-4P-M1-J1 |
| KD03-Y2.2KW-4P-M1-J1 | KK03-Y2.2KW-4P-M1-J1 | KF03-Y2.2KW-4P-M1-J1 | KFK03-Y2.2KW-4P-M1-J1 |

更多KD03減速機相關信息請查看http://m.tzmzhq.com/product/k37jiansuji-cn.html
關鍵詞:傘齒輪減速機樣本_硬齒面減速電機樣本_錐齒輪減速機選型樣本下載_斜齒輪減速器樣本_蝸輪蝸桿減速機樣本
標簽:  KD03減速機 KK03減速器 KF03減速箱 KFK03減速電機 傘齒輪減速器 轉角減速機
