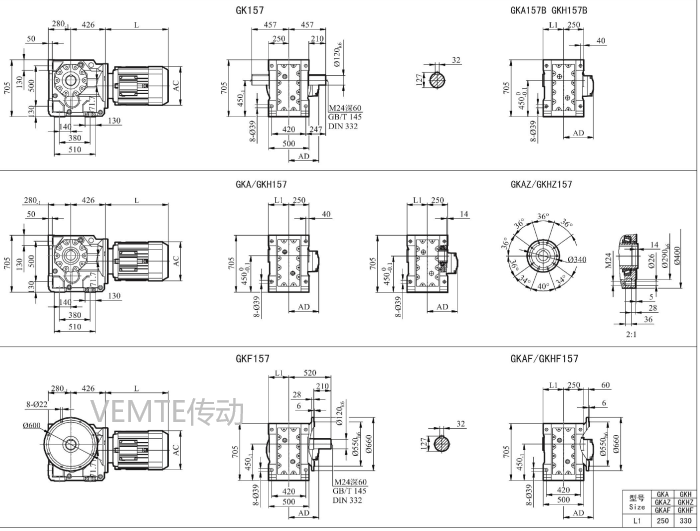
KD15 KK15 KF15 KFK15減速機電機型號大全及尺寸圖紙
2024-08-08 11:47:03
閱讀
KD15 KK15 KF15 KFK15減速機電機型號大全及尺寸圖紙
| KD15-Y11KW-4P-M1-J1 | KK15-Y11KW-4P-M1-J1 | KF15-Y11KW-4P-M1-J1 | KFK15-Y11KW-4P-M1-J1 |
| KD15-Y18.5KW-4P-M1-J1 | KK15-Y18.5KW-4P-M1-J1 | KF15-Y18.5KW-4P-M1-J1 | KFK15-Y18.5KW-4P-M1-J1 |
| KD15-Y22KW-4P-M1-J1 | KK15-Y22KW-4P-M1-J1 | KF15-Y22KW-4P-M1-J1 | KFK15-Y22KW-4P-M1-J1 |
| KD15-Y30KW-4P-M1-J1 | KK15-Y30KW-4P-M1-J1 | KF15-Y30KW-4P-M1-J1 | KFK15-Y30KW-4P-M1-J1 |
| KD15-Y37KW-4P-M1-J1 | KK15-Y37KW-4P-M1-J1 | KF15-Y37KW-4P-M1-J1 | KFK15-Y37KW-4P-M1-J1 |
| KD15-Y45KW-4P-M1-J1 | K系列減速機 | KF15-Y45KW-4P-M1-J1 | KFK15-Y45KW-4P-M1-J1 |
| KD15-Y55KW-4P-M1-J1 | KK15-Y55KW-4P-M1-J1 | KF15-Y55KW-4P-M1-J1 | KFK15-Y55KW-4P-M1-J1 |
| KD15-Y75KW-4P-M1-J1 | KK15-Y75KW-4P-M1-J1 | KF15-Y75KW-4P-M1-J1 | KFK15-Y75KW-4P-M1-J1 |
| KD15-Y90KW-4P-M1-J1 | KK15-Y90KW-4P-M1-J1 | KF15-Y90KW-4P-M1-J1 | KFK15-Y90KW-4P-M1-J1 |
| KD15-Y110KW-4P-M1-J1 | KK15-Y110KW-4P-M1-J1 | KF15-Y110KW-4P-M1-J1 | KFK15-Y110KW-4P-M1-J1 |
| KD15-Y132KW-4P-M1-J1 | KK15-Y132KW-4P-M1-J1 | KF15-Y132KW-4P-M1-J1 | KFK15-Y132KW-4P-M1-J1 |
| KD15-Y160KW-4P-M1-J1 | KK15-Y160KW-4P-M1-J1 | KF15-Y160KW-4P-M1-J1 | KFK15-Y160KW-4P-M1-J1 |
| KD15-Y200KW-4P-M1-J1 | KK15-Y200KW-4P-M1-J1 | KF15-Y200KW-4P-M1-J1 | KFK15-Y200KW-4P-M1-J1 |

更多KD15減速電機性能參數請查看http://m.tzmzhq.com/product/k157jiansuji-cn.html
關鍵詞:蝸輪蝸桿減速機型號_錐齒輪減速電機型號_斜齒輪減速器型號_硬齒面電機與減速器型號_傘齒輪減速箱型號大全
標簽:  KD15減速機 KK15減速器 KF15減速箱 KFK15減速電機 傘齒輪減速機 轉角減速器
