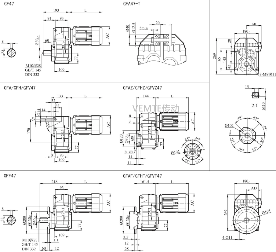
P04 RF04 RKF04 RK04減速機電機型號及尺寸圖紙
2024-07-25 08:48:34
閱讀
P04 RF04 RKF04 RK04減速機電機型號及尺寸圖紙
| P04-Y0.12KW-4P-M1-J1 | PF04-Y0.12KW-4P-M1-J1 | PKF04-Y0.12KW-4P-M1-J1 | PK04-Y0.12KW-4P-M1-J1 |
| P04-Y0.18KW-4P-M1-J1 | PF04-Y0.18KW-4P-M1-J1 | PKF04-Y0.18KW-4P-M1-J1 | PK04-Y0.18KW-4P-M1-J1 |
| P04-Y0.25KW-4P-M1-J1 | PF04-Y0.25KW-4P-M1-J1 | PKF04-Y0.25KW-4P-M1-J1 | PK04-Y0.25KW-4P-M1-J1 |
| P04-Y0.37KW-4P-M1-J1 | PF04-Y0.37KW-4P-M1-J1 | PKF04-Y0.37KW-4P-M1-J1 | PK04-Y0.37KW-4P-M1-J1 |
| P04-Y0.55KW-4P-M1-J1 | 電動機減速機 | PKF04-Y0.55KW-4P-M1-J1 | PK04-Y0.55KW-4P-M1-J1 |
| P04-Y0.75KW-4P-M1-J1 | PF04-Y0.75KW-4P-M1-J1 | PKF04-Y0.75KW-4P-M1-J1 | PK04-Y0.75KW-4P-M1-J1 |
| P04-Y1.1KW-4P-M1-J1 | PF04-Y1.1KW-4P-M1-J1 | PKF04-Y1.1KW-4P-M1-J1 | PK04-Y1.1KW-4P-M1-J1 |
| P04-Y1.5KW-4P-M1-J1 | PF04-Y1.5KW-4P-M1-J1 | PKF04-Y1.5KW-4P-M1-J1 | PK04-Y1.5KW-4P-M1-J1 |
| P04-Y2.2KW-4P-M1-J1 | PF04-Y2.2KW-4P-M1-J1 | PKF04-Y2.2KW-4P-M1-J1 | PK04-Y2.2KW-4P-M1-J1 |
| P04-Y3KW-4P-M1-J1 | PF04-Y3KW-4P-M1-J1 | PKF04-Y3KW-4P-M1-J1 | PK04-Y3KW-4P-M1-J1 |

更多關于P04減速電機性能參數請查看http://m.tzmzhq.com/product/f47jiansuji-cn.html
關鍵詞:傘齒輪減速機樣本_硬齒面減速電機樣本_錐齒輪減速機選型樣本下載_斜齒輪減速器樣本_蝸輪蝸桿減速機樣本
標簽:  P04減速機 RF04減速器 RKF04減速箱 RK04減速電機 平行軸減速機 傘齒輪減速器
