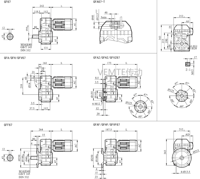
P06 PKF06 PK06 PF06減速機電機型號及尺寸圖紙
2024-07-29 13:51:20
閱讀
P06 PKF06 PK06 PF06減速機電機型號及尺寸圖紙
| P06-Y0.12KW-4P-M1-J1 | PKF06-Y0.12KW-4P-M1-J1 | PK06-Y0.12KW-4P-M1-J1 | PF06-Y0.12KW-4P-M1-J1 |
| P06-Y0.18KW-4P-M1-J1 | PKF06-Y0.18KW-4P-M1-J1 | PK06-Y0.18KW-4P-M1-J1 | PF06-Y0.18KW-4P-M1-J1 |
| P06-Y0.25KW-4P-M1-J1 | PKF06-Y0.25KW-4P-M1-J1 | PK06-Y0.25KW-4P-M1-J1 | PF06-Y0.25KW-4P-M1-J1 |
| P06-Y0.37KW-4P-M1-J1 | PKF06-Y0.37KW-4P-M1-J1 | PK06-Y0.37KW-4P-M1-J1 | PF06-Y0.37KW-4P-M1-J1 |
| P06-Y0.55KW-4P-M1-J1 | PKF06-Y0.55KW-4P-M1-J1 | PK06-Y0.55KW-4P-M1-J1 | PF06-Y0.55KW-4P-M1-J1 |
| P06-Y0.75KW-4P-M1-J1 | 調速電機減速機 | PK06-Y0.75KW-4P-M1-J1 | PF06-Y0.75KW-4P-M1-J1 |
| P06-Y1.1KW-4P-M1-J1 | PKF06-Y1.1KW-4P-M1-J1 | PK06-Y1.1KW-4P-M1-J1 | PF06-Y1.1KW-4P-M1-J1 |
| P06-Y1.5KW-4P-M1-J1 | PKF06-Y1.5KW-4P-M1-J1 | PK06-Y1.5KW-4P-M1-J1 | PF06-Y1.5KW-4P-M1-J1 |
| P06-Y2.2KW-4P-M1-J1 | PKF06-Y2.2KW-4P-M1-J1 | PK06-Y2.2KW-4P-M1-J1 | PF06-Y2.2KW-4P-M1-J1 |
| P06-Y3KW-4P-M1-J1 | PKF06-Y3KW-4P-M1-J1 | PK06-Y3KW-4P-M1-J1 | PF06-Y3KW-4P-M1-J1 |
| P06-Y4KW-4P-M1-J1 | PKF06-Y4KW-4P-M1-J1 | PK06-Y4KW-4P-M1-J1 | PF06-Y4KW-4P-M1-J1 |
| P06-Y5.5KW-4P-M1-J1 | PKF06-Y5.5KW-4P-M1-J1 | PK06-Y5.5KW-4P-M1-J1 | PF06-Y5.5KW-4P-M1-J1 |

更多P06減速機電機性能參數請查看http://m.tzmzhq.com/product/f67jiansuji-cn.html
關鍵詞:蝸輪蝸桿減速機型號_錐齒輪減速電機型號_斜齒輪減速器型號_硬齒面電機與減速器型號_傘齒輪減速箱型號大全
標簽:  P06減速機 PKF06減速器 PK06減速箱 PF06減速電機 平行軸減速機 減速電機廠家
