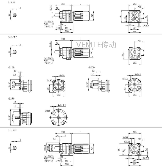
R05 RF05 RX05 RXF05減速機電機型號大全及尺寸圖
2024-08-06 13:51:57
閱讀
R05 RF05 RX05 RXF05減速機電機型號大全及尺寸圖
| R05-Y0.12KW-4P-M1-J1 | RF05-Y0.12KW-4P-M1-J1 | RX05-Y1.1KW-4P-M1-J1 | RXF05-Y1.1KW-4P-M1-J1 |
| R05-Y0.18KW-4P-M1-J1 | RF05-Y0.18KW-4P-M1-J1 | RX05-Y1.5KW-4P-M1-J1 | RXF05-Y1.5KW-4P-M1-J1 |
| R05-Y0.25KW-4P-M1-J1 | RF05-Y0.25KW-4P-M1-J1 | RX05-Y2.2KW-4P-M1-J1 | RXF05-Y2.2KW-4P-M1-J1 |
| R05-Y0.37KW-4P-M1-J1 | RF05-Y0.37KW-4P-M1-J1 | R系列減速機 | RXF05-Y3KW-4P-M1-J1 |
| R05-Y0.55KW-4P-M1-J1 | RF05-Y0.55KW-4P-M1-J1 | RX05-Y4KW-4P-M1-J1 | RXF05-Y4KW-4P-M1-J1 |
| R05-Y0.75KW-4P-M1-J1 | RF05-Y0.75KW-4P-M1-J1 | RX05-Y5.5KW-4P-M1-J1 | RXF05-Y5.5KW-4P-M1-J1 |
| R05-Y7.5KW-4P-M1-J1 | RF05-Y7.5KW-4P-M1-J1 | RX05-Y3KW-4P-M1-J1 | 斜齒輪減速器 |

更多R05減速電機相關參數請查看http://m.tzmzhq.com/product/r57jiansuji-cn.html
關鍵詞:蝸輪蝸桿減速機型號_錐齒輪減速電機型號_斜齒輪減速器型號_硬齒面電機與減速器型號_傘齒輪減速箱型號大全
標簽:  R05減速機 RF05減速器 RX05減速箱 RXF05減速電機 R系列減速機 齒輪減速電機
