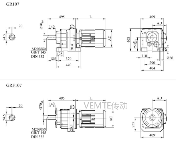
R10 RF10 RX10 RXF10減速機電機型號以及尺寸圖紙
2024-08-16 11:20:50
閱讀
R10 RF10 RX10 RXF10減速機電機型號以及尺寸圖紙
| R10-Y1.5KW-4P-M1-J1 | RF10-Y1.5KW-4P-M1-J1 | RX10-Y1.5KW-4P-M1-J1 | RXF10-Y1.5KW-4P-M1-J1 |
| R10-Y2.2KW-4P-M1-J1 | RF10-Y2.2KW-4P-M1-J1 | RX10-Y2.2KW-4P-M1-J1 | RXF10-Y2.2KW-4P-M1-J1 |
| R10-Y3KW-4P-M1-J1 | RF10-Y3KW-4P-M1-J1 | RX10-Y3KW-4P-M1-J1 | RXF10-Y3KW-4P-M1-J1 |
| R10-Y4KW-4P-M1-J1 | RF10-Y4KW-4P-M1-J1 | RX10-Y4KW-4P-M1-J1 | RXF10-Y4KW-4P-M1-J1 |
| R10-Y5.5KW-4P-M1-J1 | RF10-Y5.5KW-4P-M1-J1 | RX10-Y5.5KW-4P-M1-J1 | RXF10-Y5.5KW-4P-M1-J1 |
| R10-Y7.5KW-4P-M1-J1 | RF10-Y7.5KW-4P-M1-J1 | RX10-Y7.5KW-4P-M1-J1 | RXF10-Y7.5KW-4P-M1-J1 |
| R10-Y11KW-4P-M1-J1 | RF10-Y11KW-4P-M1-J1 | R系列減速機 | RXF10-Y11KW-4P-M1-J1 |
| R10-Y15KW-4P-M1-J1 | RF10-Y15KW-4P-M1-J1 | RX10-Y15KW-4P-M1-J1 | RXF10-Y15KW-4P-M1-J1 |
| R10-Y18.5KW-4P-M1-J1 | RF10-Y18.5KW-4P-M1-J1 | RX10-Y18.5KW-4P-M1-J1 | RXF10-Y18.5KW-4P-M1-J1 |
| R10-Y22KW-4P-M1-J1 | RF10-Y22KW-4P-M1-J1 | RX10-Y22KW-4P-M1-J1 | RXF10-Y22KW-4P-M1-J1 |
| R10-Y30KW-4P-M1-J1 | RF10-Y30KW-4P-M1-J1 | RX10-Y30KW-4P-M1-J1 | RXF10-Y30KW-4P-M1-J1 |
| R10-Y37KW-4P-M1-J1 | RF10-Y37KW-4P-M1-J1 | RX10-Y37KW-4P-M1-J1 | RXF10-Y37KW-4P-M1-J1 |
| R10-Y45KW-4P-M1-J1 | RF10-Y45KW-4P-M1-J1 | RX10-Y45KW-4P-M1-J1 | RXF10-Y45KW-4P-M1-J1 |

更多R107減速電機性能參數請查看http://m.tzmzhq.com/product/r107jiansuji-cn.html
關鍵詞:硬齒面減速機圖紙_傘齒輪減速電機圖紙下載_錐齒輪減速機三維模型下載_蝸輪蝸桿減速器圖紙_斜齒輪減速箱3D圖紙下載
標簽:  R10減速機 RF10減速器 RX10減速箱 RXF10減速電機
