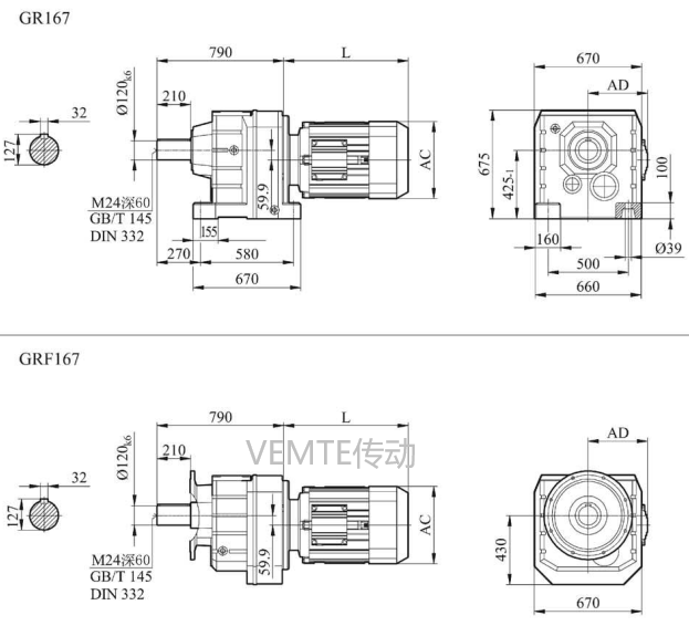
RC167 RC167P RCF167減速機電機型號大全及尺寸圖
2024-07-22 13:46:00
閱讀
RC167 RC167P RCF167減速機電機型號大全及尺寸圖
| RC167-Y11-4P | RC167P-Y11-4P | RCF167-Y11-4P |
| RC167-Y15-4P | RC167P-Y15-4P | RCF167-Y15-4P |
| RC167-Y18.5-4P | RC167P-Y18.5-4P | RCF167-Y18.5-4P |
| RC167-Y22-4P | RC167P-Y22-4P | RCF167-Y22-4P |
| RC167-Y30-4P | R系列減速機 | RCF167-Y30-4P |
| RC167-Y37-4P | RC167P-Y37-4P | RCF167-Y37-4P |
| RC167-Y45-4P | RC167P-Y45-4P | RCF167-Y45-4P |
| RC167-Y55-4P | RC167P-Y55-4P | RCF167-Y55-4P |
| RC167-Y75-4P | RC167P-Y75-4P | RCF167-Y75-4P |
| RC167-Y70-4P | RC167P-Y70-4P | RCF167-Y70-4P |
| RC167-Y110-4P | RC167P-Y110-4P | RCF167-Y110-4P |
| RC167-Y132-4P | RC167P-Y132-4P | RCF167-Y132-4P |

更多R167減速電機相關信息請查看http://m.tzmzhq.com/product/r167jiansuji-cn.html
關鍵詞:蝸輪蝸桿減速機型號_錐齒輪減速電機型號_斜齒輪減速器型號_硬齒面電機與減速器型號_傘齒輪減速箱型號大全
標簽:  RC167減速機 RC167P減速器 RCF167減速電機 R系列減速機 齒輪減速器
