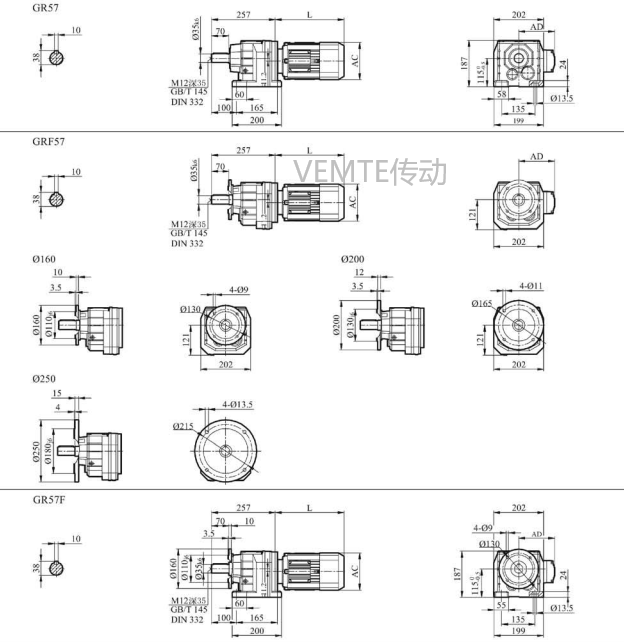
RC57 RCF57 RC57P減速機電機型號大全及尺寸圖紙
2024-07-15 11:52:18
閱讀
RC57 RCF57 RC57P減速機電機型號大全及尺寸圖紙
| RC57-Y0.12-4P | RCF57-Y0.12-4P | RC57P-Y0.12-4P |
| RC57-Y0.18-4P | RCF57-Y0.18-4P | RC57P-Y0.18-4P |
| RC57-Y0.25-4P | RCF57-Y0.25-4P | RC57P-Y0.25-4P |
| RC57-Y0.37-4P | RCF57-Y0.37-4P | RC57P-Y0.37-4P |
| RC57-Y0.55-4P | RCF57-Y0.55-4P | RC57P-Y0.55-4P |
| RC57-Y0.75-4P | R系列減速機 | RC57P-Y0.75-4P |
| RC57-Y1.1-4P | RCF57-Y1.1-4P | RC57P-Y1.1-4P |
| RC57-Y1.5-4P | RCF57-Y1.5-4P | RC57P-Y1.5-4P |
| RC57-Y2.2-4P | RCF57-Y2.2-4P | RC57P-Y2.2-4P |
| RC57-Y3-4P | RCF57-Y3-4P | RC57P-Y3-4P |
| RC57-Y4-4P | RCF57-Y4-4P | RC57P-Y4-4P |
| RC57-Y5.5-4P | RCF57-Y5.5-4P | RC57P-Y5.5-4P |
| RC57-Y7.5-4P | RCF57-Y7.5-4P | RC57P-Y7.5-4P |

更多R57減速電機相關信息請查看http://m.tzmzhq.com/product/r57jiansuji-cn.html
關鍵詞:蝸輪蝸桿減速機型號_錐齒輪減速電機型號_斜齒輪減速器型號_硬齒面電機與減速器型號_傘齒輪減速箱型號大全
標簽:  RC57減速機 RCF57減速器 RC57P減速電機 R系列減速機 斜齒輪減速器
