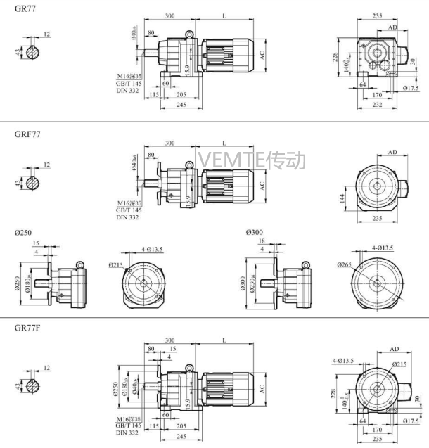
RC77 RCF77 RC77P減速機電機型號大全及尺寸圖
2024-07-16 11:28:40
閱讀
RC77 RCF77 RC77P減速機電機型號大全及尺寸圖
| RC77-Y0.18-4P | RCF77-Y0.18-4P | RC77P-Y0.18-4P |
| RC77-Y0.25-4P | RCF77-Y0.25-4P | RC77P-Y0.25-4P |
| RC77-Y0.37-4P | RCF77-Y0.37-4P | RC77P-Y0.37-4P |
| RC77-Y0.55-4P | RCF77-Y0.55-4P | RC77P-Y0.55-4P |
| RC77-Y0.75-4P | R系列減速機 | RC77P-Y0.75-4P |
| RC77-Y1.1-4P | RCF77-Y1.1-4P | RC77P-Y1.1-4P |
| RC77-Y1.5-4P | RCF77-Y1.5-4P | RC77P-Y1.5-4P |
| RC77-Y2.2-4P | RCF77-Y2.2-4P | RC77P-Y2.2-4P |
| RC77-Y3-4P | RCF77-Y3-4P | RC77P-Y3-4P |
| RC77-Y4-4P | RCF77-Y4-4P | RC77P-Y4-4P |
| RC77-Y5.5-4P | RCF77-Y5.5-4P | RC77P-Y5.5-4P |
| RC77-Y7.5-4P | RCF77-Y7.5-4P | RC77P-Y7.5-4P |
| RC77-Y11-4P | RCF77-Y11-4P | RC77P-Y11-4P |

更多R77減速電機相關參數請查看http://m.tzmzhq.com/product/r77jiansuji-cn.html
關鍵詞:硬齒面減速機圖紙_傘齒輪減速電機圖紙下載_錐齒輪減速機三維模型下載_蝸輪蝸桿減速器圖紙_斜齒輪減速箱3D圖紙下載
標簽:  RC77減速機 RCF77減速器 RC77P減速電機 RC系列減速機 斜齒輪減速器
