SA107B-57.78-Y2-160L-4-M1-T減速電機型號解析
SA107B-57.78-Y2-160L-4-M1-T減速電機型號解析
不同用戶在選擇驅動傳動電機減速機時,會遇到多種型號,這些型號之間的差異較大,此外也因為不同廠家的型號表示方式之間有所差異,所以在這樣的情況下需要考慮一下型號與實際的尺寸之間的關系。在采購過程中,許多用戶可能對型號的具體含義不太了解。舉例來說,有S107蝸輪減速器、SA107減速機、SAF107減速電機、SAZ107減速器、SF107減速箱、SH107,SHF107減速機等。而且,不同的廠家在型號表示上也有所不同。因此,了解不同型號減速電機的具體含義變得尤為重要。
今天,我們將深入探討SA系列減速機的型號,并解析型號中的字母和數字分別代表什么意義,以及它們透露了哪些參數信息。瓦瑪特小編將為大家分享一款減速器的型號為SA107B-57.78-Y2-160L-4-M1-T的詳細解讀,幫助大家更好地理解和選擇適合自己的減速機型號。
SA表示的是減速機的一種類型,簡稱SA或者GSA系列減速機,他是屬于斜齒輪蝸輪蝸桿傳動,直角軸輸出臥式減速機;
107是SA系列減速機下的一個型號,大一個規格是127
B表示減速器為B向輸出
57.78表示減速器減速比
Y2表示電機的類型
160L表示電機的機座號大小
4表示電機的極數為四極
M1為減速機的安裝方位
T表示電機接線盒的位置
但是需要注意的是這個蝸輪斜齒輪減速電機型號的電機實際功率大小
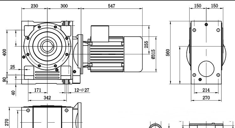
如果您需要這個型號的減速機圖紙的安裝尺寸的話,您可以聯系右邊的客服窗口或者是下方的減速機樣本下載進行相關的操作。
具體的型號以及安裝尺寸可以點擊http://m.tzmzhq.com/product/list-saxiliejiansuji-cn.html看詳細信息

關鍵詞:蝸輪蝸桿減速機型號_錐齒輪減速電機型號_斜齒輪減速器型號_硬齒面電機與減速器型號_傘齒輪減速箱型號大全
標簽:  SA107B-57.78-Y2-160L-4-M1-T減速電機 SA系列減速機 齒輪減速機 大型蝸輪減速器
