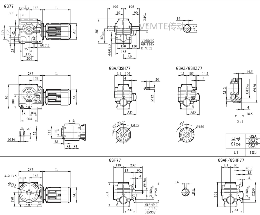
SC77 SCAF77 SCA77 SCF77減速機電機型號大全及圖紙
2024-06-21 13:50:17
閱讀
SC77 SCAF77 SCA77 SCF77減速機電機型號大全及圖紙
| SC77-Y0.55KW-4P | SCF77-Y0.55KW-4P | SCAF77-Y0.55KW-4P | SCA77-Y0.55KW-4P |
| SC77-Y0.75KW-4P | SCF77-Y0.75KW-4P | SCAF77-Y0.75KW-4P | SCA77-Y0.75KW-4P |
| SC77-Y1.1KW-4P | SCF77-Y1.1KW-4P | SCAF77-Y1.1KW-4P | SCA77-Y1.1KW-4P |
| SC77-Y1.5KW-4P | SCF77-Y1.5KW-4P | 蝸輪減速器 | SCA77-Y1.5KW-4P |
| SC77-Y2.2KW-4P | SCF77-Y2.2KW-4P | SCAF77-Y2.2KW-4P | SCA77-Y2.2KW-4P |
| SC77-Y3KW-4P | SCF77-Y3KW-4P | SCAF77-Y3KW-4P | SCA77-Y3KW-4P |
| SC77-Y4KW-4P | SCF77-Y4KW-4P | SCAF77-Y4KW-4P | SCA77-Y4KW-4P |
| SC77-Y5.5KW-4P | SCF77-Y5.5KW-4P | SCAF77-Y5.5KW-4P | SCA77-Y5.5KW-4P |
| SC77-Y7.5KW-4P | SCF77-Y7.5KW-4P | SCAF77-Y7.5KW-4P | SCA77-Y7.5KW-4P |

更多關于S77減速電機性能參數請查看http://m.tzmzhq.com/product/s77jiansuji-cn.html
關鍵詞:蝸輪蝸桿減速機型號_錐齒輪減速電機型號_斜齒輪減速器型號_硬齒面電機與減速器型號_傘齒輪減速箱型號大全
標簽:  SC77減速機 SCAF77減速器 SCA77減速箱 SCF77減速電機 蝸輪蝸桿減速機 齒輪減速機
