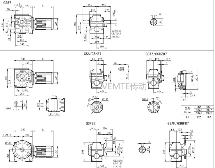
SC87 SCAF87 SCF87 SCA87減速機電機型號大全及圖紙
2024-07-06 13:47:54
閱讀
SC87 SCAF87 SCF87 SCA87減速機電機型號大全及圖紙
| SC87-Y0.75KW-4P | SCAF87-Y0.75KW-4P | SCA87-Y0.75KW-4P | SCF87-Y0.75KW-4P |
| SC87-Y1.1KW-4P | SCAF87-Y1.1KW-4P | SCA87-Y1.1KW-4P | SCF87-Y1.1KW-4P |
| SC87-Y1.5KW-4P | SCAF87-Y1.5KW-4P | SCA87-Y1.5KW-4P | SCF87-Y1.5KW-4P |
| SC87-Y2.2KW-4P | SCAF87-Y2.2KW-4P | SCA87-Y2.2KW-4P | SCF87-Y2.2KW-4P |
| SC87-Y3KW-4P | SCAF87-Y3KW-4P | 蝸輪減速器 | SCF87-Y3KW-4P |
| SC87-Y4KW-4P | SCAF87-Y4KW-4P | SCA87-Y4KW-4P | SCF87-Y4KW-4P |
| SC87-Y5.5KW-4P | SCAF87-Y5.5KW-4P | SCA87-Y5.5KW-4P | SCF87-Y5.5KW-4P |
| SC87-Y7.5KW-4P | SCAF87-Y7.5KW-4P | SCA87-Y7.5KW-4P | SCF87-Y7.5KW-4P |
| SC87-Y11KW-4P | SCAF87-Y11KW-4P | SCA87-Y11KW-4P | SCF87-Y11KW-4P |
| SC87-Y15KW-4P | SCAF87-Y15KW-4P | SCA87-Y15KW-4P | SCF87-Y15KW-4P |

更多關于S87減速機性能參數信息請查看http://m.tzmzhq.com/product/s87jiansuji-cn.html
關鍵詞:蝸輪蝸桿減速機型號_錐齒輪減速電機型號_斜齒輪減速器型號_硬齒面電機與減速器型號_傘齒輪減速箱型號大全
標簽:  SC87減速機 SCAF87減速器 SCF87減速箱 SCA87減速電機 蝸輪蝸桿減速機
