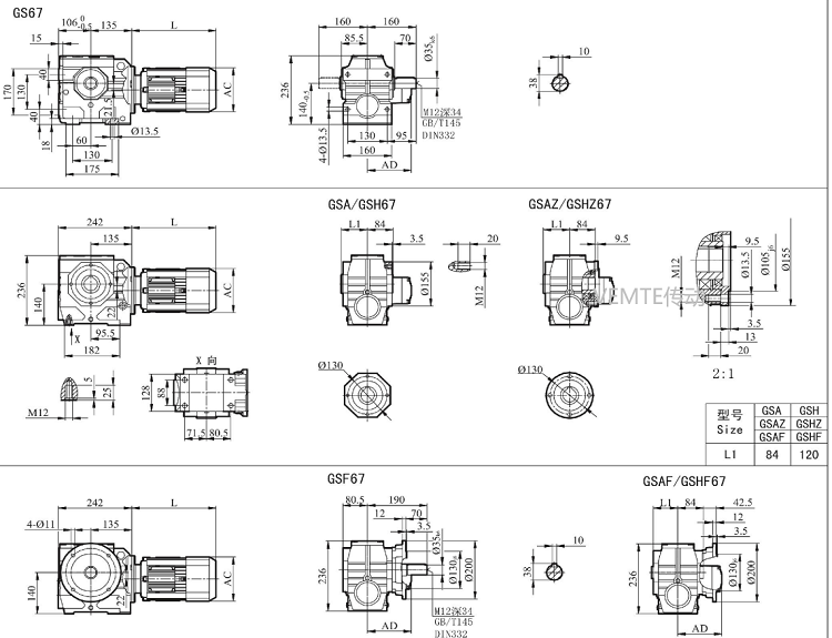
SD06 SF06 SS06 SFK06減速機電機型號大全及尺寸圖
2024-07-31 14:01:14
閱讀
SD06 SF06 SS06 SFK06減速機電機型號大全及尺寸圖
| SD06-Y0.25KW-4P-M1-J1 | SF06-Y0.25KW-4P-M1-J1 | SS06-Y0.25KW-4P-M1-J1 | SFK06-Y0.25KW-4P-M1-J1 |
| SD06-Y0.37KW-4P-M1-J1 | SF06-Y0.37KW-4P-M1-J1 | SS06-Y0.37KW-4P-M1-J1 | SFK06-Y0.37KW-4P-M1-J1 |
| SD06-Y0.55KW-4P-M1-J1 | SF06-Y0.55KW-4P-M1-J1 | SS06-Y0.55KW-4P-M1-J1 | SFK06-Y0.55KW-4P-M1-J1 |
| SD06-Y0.75KW-4P-M1-J1 | SF06-Y0.75KW-4P-M1-J1 | SS06-Y0.75KW-4P-M1-J1 | SFK06-Y0.75KW-4P-M1-J1 |
| SD06-Y1.1KW-4P-M1-J1 | SF06-Y1.1KW-4P-M1-J1 | SS06-Y1.1KW-4P-M1-J1 | SFK06-Y1.1KW-4P-M1-J1 |
| SD06-Y1.5KW-4P-M1-J1 | SF06-Y1.5KW-4P-M1-J1 | S系列減速機 | SFK06-Y1.5KW-4P-M1-J1 |
| SD06-Y2.2KW-4P-M1-J1 | SF06-Y2.2KW-4P-M1-J1 | SS06-Y2.2KW-4P-M1-J1 | SFK06-Y2.2KW-4P-M1-J1 |
| SD06-Y3KW-4P-M1-J1 | SF06-Y3KW-4P-M1-J1 | SS06-Y3KW-4P-M1-J1 | SFK06-Y3KW-4P-M1-J1 |
| SD06-Y4KW-4P-M1-J1 | SF06-Y4KW-4P-M1-J1 | SS06-Y4KW-4P-M1-J1 | SFK06-Y4KW-4P-M1-J1 |
| SD06-Y5.5KW-4P-M1-J1 | SF06-Y5.5KW-4P-M1-J1 | SS06-Y5.5KW-4P-M1-J1 | SFK06-Y5.5KW-4P-M1-J1 |

更多SD06減速電機相關信息請查看http://m.tzmzhq.com/product/s67jiansuji-cn.html
關鍵詞:蝸輪蝸桿減速機型號_錐齒輪減速電機型號_斜齒輪減速器型號_硬齒面電機與減速器型號_傘齒輪減速箱型號大全
標簽:  SD06減速機 SF06減速器 SS06減速箱 SFK06減速電機 蝸輪蝸桿減速機 自鎖減速器
