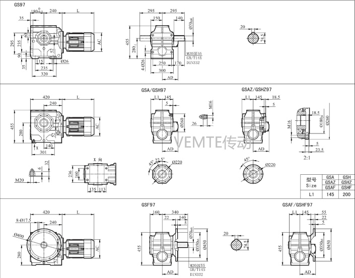
SD09 SF09 SS09 SFK09減速機電機型號大全及尺寸圖
2024-08-05 14:19:37
閱讀
SD09 SF09 SS09 SFK09減速機電機型號大全及尺寸圖
| SD09-Y1.5KW-4P-M1-J1 | SF09-Y1.5KW-4P-M1-J1 | SS09-Y1.5KW-4P-M1-J1 | SFK09-Y1.5KW-4P-M1-J1 |
| SD09-Y2.2KW-4P-M1-J1 | SF09-Y2.2KW-4P-M1-J1 | SS09-Y2.2KW-4P-M1-J1 | SFK09-Y2.2KW-4P-M1-J1 |
| SD09-Y3KW-4P-M1-J1 | SF09-Y3KW-4P-M1-J1 | SS09-Y3KW-4P-M1-J1 | SFK09-Y3KW-4P-M1-J1 |
| SD09-Y4KW-4P-M1-J1 | SF09-Y4KW-4P-M1-J1 | SS09-Y4KW-4P-M1-J1 | SFK09-Y4KW-4P-M1-J1 |
| SD09-Y5.5KW-4P-M1-J1 | SF09-Y5.5KW-4P-M1-J1 | SS09-Y5.5KW-4P-M1-J1 | SFK09-Y5.5KW-4P-M1-J1 |
| SD09-Y7.5KW-4P-M1-J1 | SF09-Y7.5KW-4P-M1-J1 | SS09-Y7.5KW-4P-M1-J1 | SFK09-Y7.5KW-4P-M1-J1 |
| SD09-Y11KW-4P-M1-J1 | SF09-Y11KW-4P-M1-J1 | 蝸輪減速器 | SFK09-Y11KW-4P-M1-J1 |
| SD09-Y15KW-4P-M1-J1 | SF09-Y15KW-4P-M1-J1 | SS09-Y15KW-4P-M1-J1 | SFK09-Y15KW-4P-M1-J1 |
| SD09-Y18.5KW-4P-M1-J1 | SF09-Y18.5KW-4P-M1-J1 | SS09-Y18.5KW-4P-M1-J1 | SFK09-Y18.5KW-4P-M1-J1 |
| SD09-Y22KW-4P-M1-J1 | SF09-Y22KW-4P-M1-J1 | SS09-Y22KW-4P-M1-J1 | SFK09-Y22KW-4P-M1-J1 |

更多SD09減速電機性能參數請查看http://m.tzmzhq.com/product/s97jiansuji-cn.html
關鍵詞:蝸輪蝸桿減速機型號_錐齒輪減速電機型號_斜齒輪減速器型號_硬齒面電機與減速器型號_傘齒輪減速箱型號大全
標簽:  SD09減速機 SF09減速器 SS09減速箱 SFK09減速電機 蝸輪蝸桿減速機 S系列減速器
