FA77/G FA87/G FA97/G帶扭力臂減速機詳細信息
FA77/G FA87/G FA97/G帶扭力臂減速機
FA77/G減速機、FA87/G減速器、FA97/G帶扭力臂減速機
減速器帶扭力臂是為了滿足某些使用安裝,扭力臂通過與FA系列齒輪減速機的連接,能夠支撐減速機并確保其穩定固定在一個位置上。這樣可以避免減速機在工作中產生不必要的移動或振動,保證其正常工作。
下面是FA77/G平行軸減速電機的型號,不同廠家的型號表示方式之間有差異,具體型號可咨詢客服了解
| FA77/G DV63M4 | FA77/G DRM63M4 | FA77/G DT63M4 | FA77/G DRS63M4 | FA77/G DRE63M4 | FA77/G Y63M4 |
| FA77/G DV71M4 | FA77/G DRM71M4 | FA77/G DT71M4 | 偏心減速器 | FA77/G DRE71M4 | FA77/G Y71M4 |
| FA77/G DV80M4 | FA77/G DRM80M4 | FA77/G DT80M4 | FA77/G DRS80M4 | FA77/G DRE80M4 | FA77/G Y80M4 |
| FA77/G DV90M4 | FA77/G DRM90M4 | FA77/G DT90M4 | FA77/G DRS90M4 | FA77/G DRE90M4 | FA77/G Y90M4 |
| FA77/G DV100M4 | FA77/G DRM100M4 | FA77/G DT100M4 | FA77/G DRS100M4 | FA77/G DRE100M4 | FA77/G Y100M4 |
| FA77/G DV112M4 | FA77/G DRM112M4 | FA77/G DT112M4 | FA77/G DRS112M4 | FA77/G DRE112M4 | FA77/G Y112M4 |
| FA77/G DV132M4 | FA77/G DRM132M4 | FA77/G DT132M4 | FA77/G DRS132M4 | FA77/G DRE132M4 | FA77/G Y132M4 |
| FA77/G DV160M4 | FA77/G DRM160M4 | FA77/G DT160M4 | FA77/G DRS160M4 | FA77/G DRE160M4 | FA77/G Y160M4 |
FA77/G減速器安裝尺寸圖紙

FA87/G斜齒輪變頻電機減速機的型號
| FA87/G DRE71M4 | FA87/G DRS71M4 | FA87/G DV71M4 | FA87/G DT71M4 | FA87/G DRM71M4 | FA87/G Y71M4 |
| FA87/G DRE80M4 | FA87/G DRS80M4 | FA87/G DV80M4 | FA87/G DT80M4 | FA87/G DRM80M4 | FA87/G Y80M4 |
| FA87/G DRE90M4 | FA87/G DRS90M4 | FA87/G DV90M4 | FA87/G DT90M4 | FA87/G DRM90M4 | FA87/G Y90M4 |
| FA87/G DRE100M4 | FA87/G DRS100M4 | FA87/G DV100M4 | FA87/G DT100M4 | FA87/G DRM100M4 | FA87/G Y100M4 |
| FA87/G DRE112M4 | FA87/G DRS112M4 | FA87/G DV112M4 | FA87/G DT112M4 | FA87/G DRM112M4 | FA87/G Y112M4 |
| FA87/G DRE132M4 | FA87/G DRS132M4 | FA87/G DV132M4 | FA87/G DT132M4 | FA87/G DRM132M4 | FA87/G Y132M4 |
| FA87/G DRE160M4 | FA87/G DRS160M4 | FA87/G DV160M4 | FA87/G DT160M4 | FA87/G DRM160M4 | FA87/G Y160M4 |
| FA87/G DRE180M4 | FA87/G DRS180M4 | FA87/G DV180M4 | FA87/G DT180M4 | FA87/G DRM180M4 | FA87/G Y180M4 |
| FA87/G DRE200M4 | FA87/G DRS200M4 | FA87/G DV200M4 | FA87/G DT200M4 | FA87/G DRM200M4 | FA87/G Y200M4 |
FA87/G帶扭力臂減速器安裝尺寸圖紙

FA97/G平行軸減速機帶電機的型號
| FA97/G Y80M4 | FA97/G DRE80M4 | FA97/G DRS80M4 | FA97/G DT80M4 | FA97/G DRM80M4 | FA97/G DV80M4 |
| FA97/G Y90M4 | FA97/G DRE90M4 | FA97/G DRS90M4 | FA97/G DT90M4 | FA97/G DRM90M4 | FA97/G DV90M4 |
| FA97/G Y100M4 | FA97/G DRE100M4 | FA97/G DRS100M4 | FA97/G DT100M4 | FA97/G DRM100M4 | FA97/G DV100M4 |
| FA97/G Y112M4 | FA97/G DRE112M4 | FA97/G DRS112M4 | FA97/G DT112M4 | FA97/G DRM112M4 | FA97/G DV112M4 |
| FA97/G Y132M4 | FA97/G DRE132M4 | FA97/G DRS132M4 | FA97/G DT132M4 | FA97/G DRM132M4 | FA97/G DV132M4 |
| FA97/G Y160M4 | FA97/G DRE160M4 | FA97/G DRS160M4 | FA97/G DT160M4 | FA97/G DRM160M4 | FA97/G DV160M4 |
| FA97/G Y180M4 | FA97/G DRE180M4 | FA97/G DRS180M4 | FA97/G DT180M4 | FA97/G DRM180M4 | FA97/G DV180M4 |
| FA97/G Y200M4 | FA97/G DRE200M4 | FA97/G DRS200M4 | FA97/G DT200M4 | FA97/G DRM200M4 | FA97/G DV200M4 |
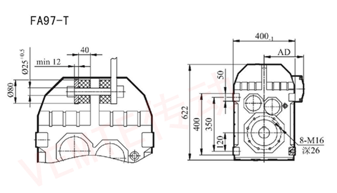
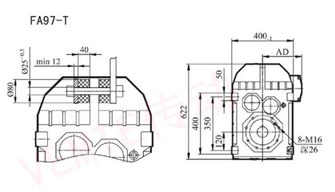
FA97/G減速器安裝尺寸圖紙

更多FA系列減速電機型號請查看http://m.tzmzhq.com/product/list-faxiliejiansuji-cn.html
購買須知:我司VEMT品牌所有系列產品,標準常用的,倉庫均備有現貨2000臺左右,非常用的需排單定做,請聯系客服咨詢貨期。凡購買我司品牌VEMT系列產品,不分價格高低,保修期內非人為原因免費維修,免費換新。兩年后免費維修,只收取零件成本費用,包含海外以及港澳臺區域。因各種設備企業對產品的要求標準不同,如果您的設備是出口的,請告知客服轉接我司VEMT工程部,告知您的高標準,我們VEMT工程部會為您量身定做百分百符合要求的產品。
關鍵詞:防爆電機減速機_分體減速機電機_FA系列減速機_GFA型減速器生產廠家
FA系列齒輪減速機型號:FA27減速機,FA37減速機,FA47減速機,FA67減速機,FA77減速機,FA87減速機,FA97減速機,FA107減速機,FA127減速機,FA157減速機
FA系列電動機減速機可配變頻電機,剎車電機,防爆電機,伺服電機,交流電機,直流電機,三相電機,單相電機 0.12KW-132KW之間
如需工程師幫選型,請加微信13826972124,留言告知工程師參數要求
標簽:   FA77/G減速機 FA87/G減速器 FA97/G帶扭力臂減速機
