減速機RF37詳細信息
減速機RF37
減速機RF37電機功率匹配范圍:0.13KW-3KW之間
下面是RF37齒輪減速電機的型號,不同廠家型號表示方式之間有差異,具體型號可咨詢客服了解
| RF37DV63M4 | RF37AM63M4 | RF37DT63M4 | RF37DRS63M4 | RF37DRE63M4 | RF37Y63M4 |
| RF37DV71M4 | RF37AM71M4 | RF37DT71M4 | RF37DRS71M4 | RF37DRE71M4 | RF37Y71M4 |
| RF37DV80M4 | RF37AM80M4 | RF37DT80M4 | RF37DRS80M4 | RF37DRE80M4 | RF37Y80M4 |
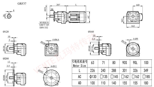
| RF37DV90M4 | RF37AM90M4 | RF37DT90M4 | RF37DRS90M4 | RF37DRE90M4 | RF37Y90M4 |
| RF37DV100M4 | RF37AM100M4 | RF37DT100M4 | RF37DRS100M4 | RF37DRE100M4 | RF37Y100M4 |
我們提供詳細的RF37齒輪減速機尺寸圖紙與技術參數手冊,包含軸伸尺寸、安裝孔位、法蘭尺寸、中心距等關鍵數據,便于您在設計階段精確規劃,確保安裝過程順利進行。專業的技術支持團隊隨時待命,為您提供個性化的安裝指導與咨詢服務,確保RF37減速機與您的設備完美契合,快速投入生產。

減速機RF37的性能特點
高扭矩輸出: RF37減速機采用精密斜齒輪設計,結合三級傳動結構,能有效增大輸出扭矩,輕松應對各種高負載應用。無論是在重型機械、物料輸送、包裝生產線還是化工設備中,均能以較小的電機輸入產生強大的輸出動力,確保設備穩定、高效運轉。
高效傳動效率: 采用優質合金鋼齒輪,經硬化處理和精密研磨,保證齒輪間完美嚙合,最大限度降低傳動損耗。搭配優化的潤滑系統,RF37減速機實現高達95%以上的傳動效率,顯著降低能源消耗,助力企業實現綠色、經濟的生產運營。
寬泛速比選擇: 提供豐富的速比選項,從1:1.6到1:8125,覆蓋廣泛的應用需求。無論是需要高速精確定位,還是低速大扭矩輸出,RF37減速機都能精準匹配,確保設備在理想工作狀態下發揮最大效能。

減速機RF37多元適配,靈活高效:
廣泛電機匹配: RF37斜齒輪減速機可與多種電機功率無縫對接,涵蓋0.12KW至3KW的廣闊范圍。無論是變頻電機、剎車電機、防爆電機、伺服電機,還是交流、直流、三相、單相電機,都能輕松適配,實現動力系統的高度集成與靈活配置。
多樣安裝方式: 支持法蘭安裝(RF型)與底腳安裝(GR型),可根據實際工況選擇最合適的安裝形式。同時,提供多種軸伸規格與輸出方式,確保與主機設備的順暢連接與高效傳動。
豐富附件選項: 可選配BMG制動器、手動釋放裝置、逆止器、熱敏電阻保護裝置、恒溫器保護裝置等附件,增強設備功能性和安全性,滿足不同工況下的特殊要求。

減速機RF37的性能適合嚴苛環境,運行穩定可靠:
堅固耐用: 直連電機減速機的機身采用優質鑄鐵鑄造,結構堅固,抗沖擊能力強。內部關鍵部件如齒輪、軸承均選用高品質材料,確保在嚴苛工況下持久耐用。高效的密封設計有效防止灰塵、濕氣侵入,延長使用壽命。
寬溫適應: 適應廣泛的環境溫度,無論是高溫車間還是低溫冷庫,RF37減速機都能保持穩定性能,確保設備在各種氣候條件下可靠運行。
減速機RF37工廠展示:看廠請聯系微信13826972124,獲取位置,需提前一天預約http://m.tzmzhq.com/product/list-rfxiliejiansuji-cn.html

關鍵詞:直線輸出減速機_直連電機減速機_減速器電機直聯_RF系列減速機_GRF型齒輪減速機
RF系列減速機型號:RF17減速機,RF27減速機,RF37減速機,RF47減速機,RF57減速機,RF67減速機,RF77減速機,RF87減速機,RF97減速機,RF107減速機,RF137減速機,RF147減速機,RF167減速機
RF系列立式減速機可配變頻電機,剎車電機,防爆電機,伺服電機,交流電機,直流電機,三相電機,單相電機 0.12KW-132KW之間
如需工程師幫選型,請加微信13826972124,留言告知工程師參數要求
標簽:   減速機RF37 立式減速器RF37 GRF37減速機尺寸圖紙 齒輪減速器GRF37
