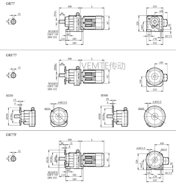
R07 RF07 RX07 RXF07減速機電機型號以及尺寸圖紙
2024-08-13 11:31:07
閱讀
R07 RF07 RX07 RXF07減速機電機型號以及尺寸圖紙
| R07-Y0.18KW-4P-M1-J1 | RF07-Y0.18KW-4P-M1-J1 | RX07-Y0.18KW-4P-M1-J1 | RXF07-Y0.18KW-4P-M1-J1 |
| R07-Y0.25KW-4P-M1-J1 | RF07-Y0.25KW-4P-M1-J1 | RX07-Y0.25KW-4P-M1-J1 | RXF07-Y0.25KW-4P-M1-J1 |
| R07-Y0.37KW-4P-M1-J1 | RF07-Y0.37KW-4P-M1-J1 | RX07-Y0.37KW-4P-M1-J1 | RXF07-Y0.37KW-4P-M1-J1 |
| R07-Y0.55KW-4P-M1-J1 | RF07-Y0.55KW-4P-M1-J1 | RX07-Y0.55KW-4P-M1-J1 | RXF07-Y0.55KW-4P-M1-J1 |
| R07-Y0.75KW-4P-M1-J1 | RF07-Y0.75KW-4P-M1-J1 | RX07-Y0.75KW-4P-M1-J1 | RXF07-Y0.75KW-4P-M1-J1 |
| R07-Y1.1KW-4P-M1-J1 | RF07-Y1.1KW-4P-M1-J1 | RX07-Y1.1KW-4P-M1-J1 | RXF07-Y1.1KW-4P-M1-J1 |
| R07-Y1.5KW-4P-M1-J1 | RF07-Y1.5KW-4P-M1-J1 | R系列減速機 | RXF07-Y1.5KW-4P-M1-J1 |
| R07-Y2.2KW-4P-M1-J1 | RF07-Y2.2KW-4P-M1-J1 | RX07-Y2.2KW-4P-M1-J1 | RXF07-Y2.2KW-4P-M1-J1 |
| R07-Y3KW-4P-M1-J1 | RF07-Y3KW-4P-M1-J1 | RX07-Y3KW-4P-M1-J1 | RXF07-Y3KW-4P-M1-J1 |
| R07-Y4KW-4P-M1-J1 | RF07-Y4KW-4P-M1-J1 | RX07-Y4KW-4P-M1-J1 | RXF07-Y4KW-4P-M1-J1 |
| R07-Y5.5KW-4P-M1-J1 | RF07-Y5.5KW-4P-M1-J1 | RX07-Y5.5KW-4P-M1-J1 | RXF07-Y5.5KW-4P-M1-J1 |
| R07-Y7.5KW-4P-M1-J1 | RF07-Y7.5KW-4P-M1-J1 | RX07-Y7.5KW-4P-M1-J1 | RXF07-Y7.5KW-4P-M1-J1 |
| R07-Y11KW-4P-M1-J1 | RF07-Y11KW-4P-M1-J1 | RX07-Y11KW-4P-M1-J1 | RXF07-Y11KW-4P-M1-J1 |

更多R07減速電機性能參數請查看http://m.tzmzhq.com/product/r77jiansuji-cn.html
關鍵詞:硬齒面減速機圖紙_傘齒輪減速電機圖紙下載_錐齒輪減速機三維模型下載_蝸輪蝸桿減速器圖紙_斜齒輪減速箱3D圖紙下載
標簽:  R07減速機 RF07減速器 RX07減速箱 RXF07減速電機 齒輪減速機 
