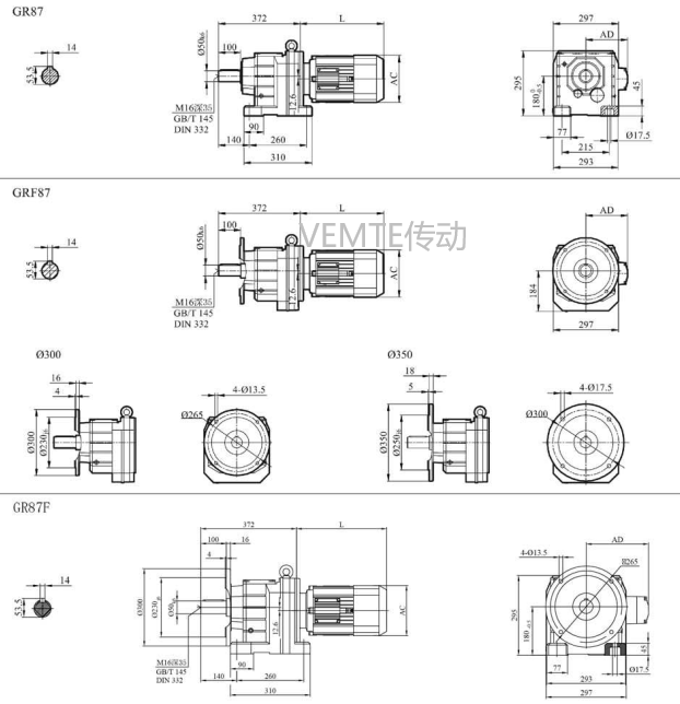
R08 RF08 RXF08 RX08減速機電機型號大全及尺寸圖
2024-08-13 11:48:32
閱讀
R08 RF08 RXF08 RX08減速機電機型號大全及尺寸圖
| R08-Y0.55KW-4P-M1-J1 | RF08-Y0.55KW-4P-M1-J1 | RXF08-Y0.55KW-4P-M1-J1 | RX08-Y0.55KW-4P-M1-J1 |
| R08-Y0.75KW-4P-M1-J1 | RF08-Y0.75KW-4P-M1-J1 | RXF08-Y0.75KW-4P-M1-J1 | RX08-Y0.75KW-4P-M1-J1 |
| R08-Y1.1KW-4P-M1-J1 | RF08-Y1.1KW-4P-M1-J1 | RXF08-Y1.1KW-4P-M1-J1 | RX08-Y1.1KW-4P-M1-J1 |
| R08-Y1.5KW-4P-M1-J1 | RF08-Y1.5KW-4P-M1-J1 | RXF08-Y1.5KW-4P-M1-J1 | RX08-Y1.5KW-4P-M1-J1 |
| R08-Y2.2KW-4P-M1-J1 | RF08-Y2.2KW-4P-M1-J1 | RXF08-Y2.2KW-4P-M1-J1 | RX08-Y2.2KW-4P-M1-J1 |
| R08-Y3KW-4P-M1-J1 | RF08-Y3KW-4P-M1-J1 | RXF08-Y3KW-4P-M1-J1 | RX08-Y3KW-4P-M1-J1 |
| R08-Y4KW-4P-M1-J1 | RF08-Y4KW-4P-M1-J1 | RXF08-Y4KW-4P-M1-J1 | RX08-Y4KW-4P-M1-J1 |
| R08-Y5.5KW-4P-M1-J1 | 斜齒輪減速機 | RXF08-Y5.5KW-4P-M1-J1 | RX08-Y5.5KW-4P-M1-J1 |
| R08-Y7.5KW-4P-M1-J1 | RF08-Y7.5KW-4P-M1-J1 | RXF08-Y7.5KW-4P-M1-J1 | RX08-Y7.5KW-4P-M1-J1 |
| R08-Y11KW-4P-M1-J1 | RF08-Y11KW-4P-M1-J1 | RXF08-Y11KW-4P-M1-J1 | RX08-Y11KW-4P-M1-J1 |
| R08-Y15KW-4P-M1-J1 | RF08-Y15KW-4P-M1-J1 | RXF08-Y15KW-4P-M1-J1 | RX08-Y15KW-4P-M1-J1 |
| R08-Y18.5KW-4P-M1-J1 | RF08-Y18.5KW-4P-M1-J1 | RXF08-Y18.5KW-4P-M1-J1 | RX08-Y18.5KW-4P-M1-J1 |
| R08-Y22KW-4P-M1-J1 | RF08-Y22KW-4P-M1-J1 | RXF08-Y22KW-4P-M1-J1 | RX08-Y22KW-4P-M1-J1 |

更多R08減速電機性能參數請查看http://m.tzmzhq.com/product/r87jiansuji-cn.html
關鍵詞:蝸輪蝸桿減速機型號_錐齒輪減速電機型號_斜齒輪減速器型號_硬齒面電機與減速器型號_傘齒輪減速箱型號大全
標簽:  R08減速機 RF08減速器 RXF08減速馬達 RX08減速電機 齒輪減速機 斜齒輪減速器
