SC37 SCA37 SCAF37 SCF37減速機電機型號
2024-06-18 11:24:51
閱讀
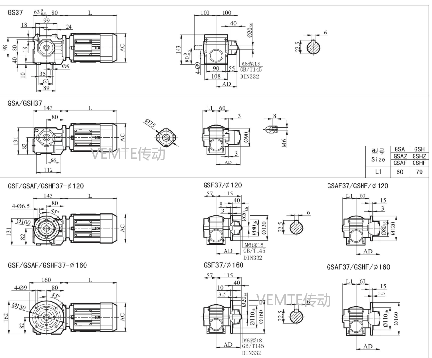
SC37SCA37SCAF37SCF37減速電機型號大全及尺寸圖紙
| SC37-Y0.12KW-4P | SCAF37-Y0.12KW-4P蝸輪減速器 | SCA37-Y0.12KW-4P | SCF37-Y0.12KW-4P |
| SC37-Y0.18KW-4P | SCAF37-Y0.18KW-4P | SCA37-Y0.18KW-4P | SCF37-Y0.18KW-4P |
| SC37-Y0.25KW-4P | SCAF37-Y0.25KW-4P | SCA37-Y0.25KW-4P | SCF37-Y0.25KW-4P |
| SC37-Y0.37KW-4P | SCAF37-Y0.37KW-4P | SCA37-Y0.37KW-4P | SCF37-Y0.37KW-4P |
| SC37-Y0.55KW-4P | SCAF37-Y0.55KW-4P | SCA37-Y0.55KW-4P | SCF37-Y0.55KW-4P |
| SC37-Y0.75KW-4P | SCAF37-Y0.75KW-4P | SCA37-Y0.75KW-4P | SCF37-Y0.75KW-4P |
| SC37-Y1.1KW-4P | SCAF37-Y1.1KW-4P | SCA37-Y1.1KW-4P | SCF37-Y1.1KW-4P |

更多SC37系列減速機型號請查看http://m.tzmzhq.com/product/s37jiansuji-cn.html
關鍵詞:硬齒面減速機圖紙_傘齒輪減速電機圖紙下載_錐齒輪減速機三維模型下載_蝸輪蝸桿減速器圖紙_斜齒輪減速箱3D圖紙下載
標簽:  SC37 SCA37 SCAF37 SCF37減速機電機型號 蝸輪蝸桿減速機 齒輪減速器 直角蝸輪減速器 SC37減速機
