SC47 SCA47 SCAF47 SCF47減速機電機型號
2024-06-18 11:46:07
閱讀
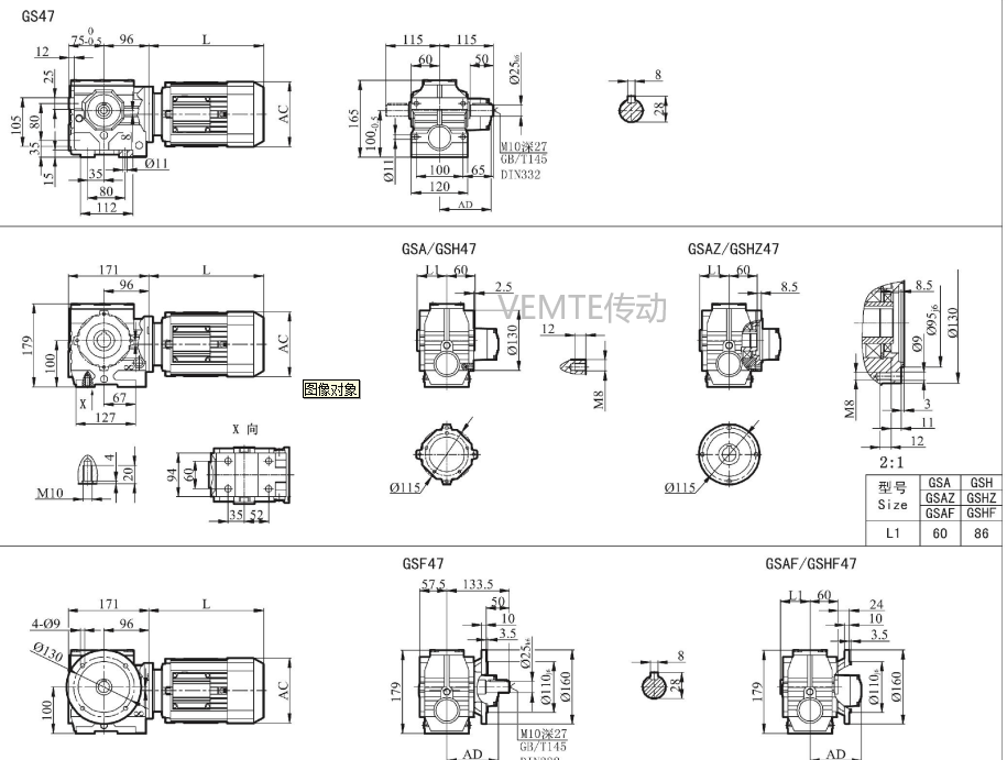
SC47 SCA47 SCAF47 SCF47減速機電機型號及尺寸圖
| SC47-Y0.12KW-4P | SCAF47-Y0.12KW-4P自鎖減速機 | SCF47-Y0.12KW-4P | SCA47-Y0.12KW-4P |
| SC47-Y0.18KW-4P | SCAF47-Y0.18KW-4P | SCF47-Y0.18KW-4P | SCA47-Y0.18KW-4P |
| SC47-Y0.25KW-4P | SCAF47-Y0.25KW-4P | SCF47-Y0.25KW-4P | SCA47-Y0.25KW-4P |
| SC47-Y0.37KW-4P | SCAF47-Y0.37KW-4P | SCF47-Y0.37KW-4P | SCA47-Y0.37KW-4P |
| SC47-Y0.55KW-4P | SCAF47-Y0.55KW-4P | SCF47-Y0.55KW-4P | SCA47-Y0.55KW-4P |
| SC47-Y0.75KW-4P | SCAF47-Y0.75KW-4P | SCF47-Y0.75KW-4P | SCA47-Y0.75KW-4P |
| SC47-Y1.1KW-4P | SCAF47-Y1.1KW-4P | SCF47-Y1.1KW-4P | SCA47-Y1.1KW-4P |
| SC47-Y1.5KW-4P | SCAF47-Y1.5KW-4P | SCF47-Y1.5KW-4P | SCA47-Y1.5KW-4P |

更多SC47減速電機型號請查看http://m.tzmzhq.com/product/s47jiansuji-cn.html
關鍵詞:蝸輪蝸桿減速機型號_錐齒輪減速電機型號_斜齒輪減速器型號_硬齒面電機與減速器型號_傘齒輪減速箱型號大全
標簽:  SC47 SCA47 SCAF47 SCF47減速機電機型號及尺寸圖 蝸輪蝸桿減速機 SC47系列減速器 帶自鎖的減速機
